| Tersedianya: | |
|---|---|
Keterangan

● Perangkat kemudi ini adalah aktuator bawah air, yang digunakan untuk rotasi bawah air dan penyesuaian sudut.
● Kompensasi tekanan oli internal dan segel dinamis dapat mencapai penyegelan penuh bebas perawatan.
● Dengan housing dan spindel baja tahan karat, ia memiliki torsi tinggi, tahan benturan, andal, dan tahan lama.
Fitur

![]() |
Bebas perawatan dan tersegel sepenuhnya pada kedalaman 300 meter, 1500 meter, dan 4500 meter |
![]() |
Torsi besar, tahan benturan |
![]() |
Sudut rotasi besar |
![]() |
Bahan baja tahan karat |
![]() |
Kompensasi tekanan oli bawaan |
![]() |
Memberikan tampilan gambar 3D |
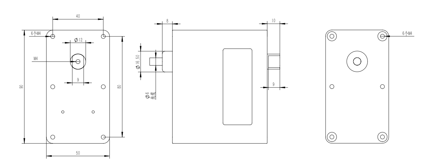
Spesifikasi

| Model | GS40-05 | Umpan balik parameter | Posisi, kecepatan, tegangan, arus, suhu, beban |
| Versi Model | GS40-05-2021V1.0 | Fungsi perlindungan | Rotor terhenti, tegangan berlebih, arus berlebih, panas berlebih, beban berlebih |
| Keterangan | Servo bus bawah air dengan torsi pengoperasian sekitar 50kg·cm | Lingkungan pengembangan | Arduino/STM32/PC/JAVA/C++/C# |
| Metode penyegelan | Bebas perawatan tersegel sepenuhnya | Informasi teknis | Menyediakan protokol komunikasi, asisten debugging port serial, dan gambar garis besar 3D |
| Struktur penyegelan | Struktur penyegelan dinamis putar | Tipe motorik | Motor tanpa biji tanpa sikat |
| Torsi operasi terukur | 50kg·cm(5N·m) | Diameter spindel | 12mm |
| Torsi puncak | 100kg·cm(10N·m)(produk dapat mempertahankan kondisi beban rotor terkunci hingga 3S) | Bahan roda gigi | baja roda gigi |
| Tegangan terukur | 24VDC | Bahan perumahan servo | Baja tahan karat 316L |
| Tegangan Operasi | 11.1-25.2VDC | Bahan benang | Baja tahan karat 316L |
| Ketepatan | 0,088° | Bahan selubung kabel | TPU |
| Rentang sudut | 360°×14 | Spesifikasi kabel | Diameter Luar:6m Panjang:1,5m Inti bagian dalam:2×1,0+2×0,5mm² |
| Kecepatan bongkar | 300 °/s | Definisi kabel | Merah'+'、Hitam'-'、Kuning'A'、Pedel Hijau'B' |
| Sensor | Kode magnetik presisi tinggi 12-bit | Kedalaman tahan tekanan | 300m、1500m、4500m |
| Tingkat baud | 9600-1000000Bps | Berat | Berat di udara 1520g Berat di air 1180g |
| Frekuensi kontrol | 333Hz | Suhu | Suhu penyimpanan:0-40°C Suhu kerja:0-35°C |
| Mode kontrol | Mode kontrol servo posisi: dapat berputar 0~360° dan beberapa putaran di sudut mana pun | ||
| Mode kontrol kecepatan: kontrol kecepatan konstan rotasi terus menerus maju dan mundur, rentang kecepatan lebar | |||
| Mode kontrol PWM: dapat menghasilkan gaya konstan untuk mencapai kontrol arah maju dan mundur | |||
Dimensi

